您当前的位置:成果库 > 基于声光移频器的收发式一体逆合成孔径激光雷达系统
基本信息
- 成果类型 高等院校
- 委托机构 西安电子科技大学
- 成果持有方 西安电子科技大学
- 行业领域 其他电子信息
- 项目名称 基于声光移频器的收发式一体逆合成孔径激光雷达系统
- 知识产权 发明专利
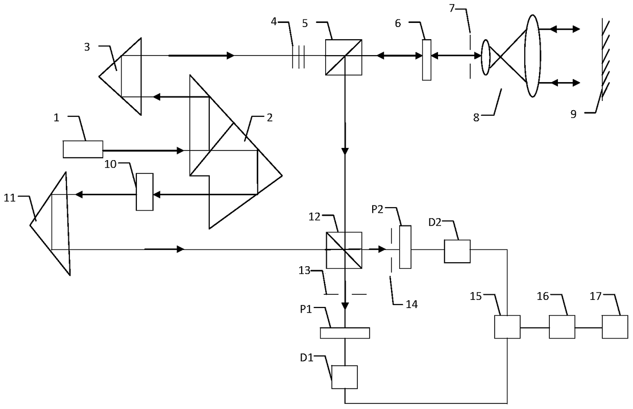
- 项目简介 本发明公开了一种基于声光移频器的收发式一体逆合成孔径激光雷达系统,激光器发射的激光光束经偏振分光器分束,其中一路经第一个角锥棱镜、光纤光栅、第一个分光棱镜、1/4波片、第一个光阑、望远系统照射到目标上后反射回来到达第一个分光棱镜反射到第二个分光棱镜上分成两路光;另一路经声光移频器、第二个角锥棱镜、第二个分光棱镜后分成两路光与前一路光束都分成的两路分别经第二光阑、第三光阑、检偏器,光电探测器和检偏器,光电探测器后产生的两个电信号经前置放大器、混频器、信号处理器后对所得信号进行处理。本发明是收发一体的整体设计,提高了信噪比;且提高了分辨率。
-
交易信息
- 意向交易额 面议
- 挂牌时间 2018/01/26
- 委托机构 西安电子科技大学
- 联系人姓名 王小刚
- 联系人电话 15802954800
- 联系人邮箱 745490733@qq.com
- 分享至:


462
2018/08/17
咨询成果
发布成果